197229, г. Санкт-Петербург, 1-я Конная Лахта дом 9
Меню

Пылевые задвижки (шиберы)

Шиберы предназначены для перекрытия выгрузки навалочных материалов из бункеров и силосов. АО СПЕЙС-МОТОР производит шиберы, как круглого, так и прямоугольного сечения. Управление может быть, как ручным, так и с помощью пневмо или электропривода.

Технические характеристики шиберов с ручным приводом:

Параметры / Типоразмер

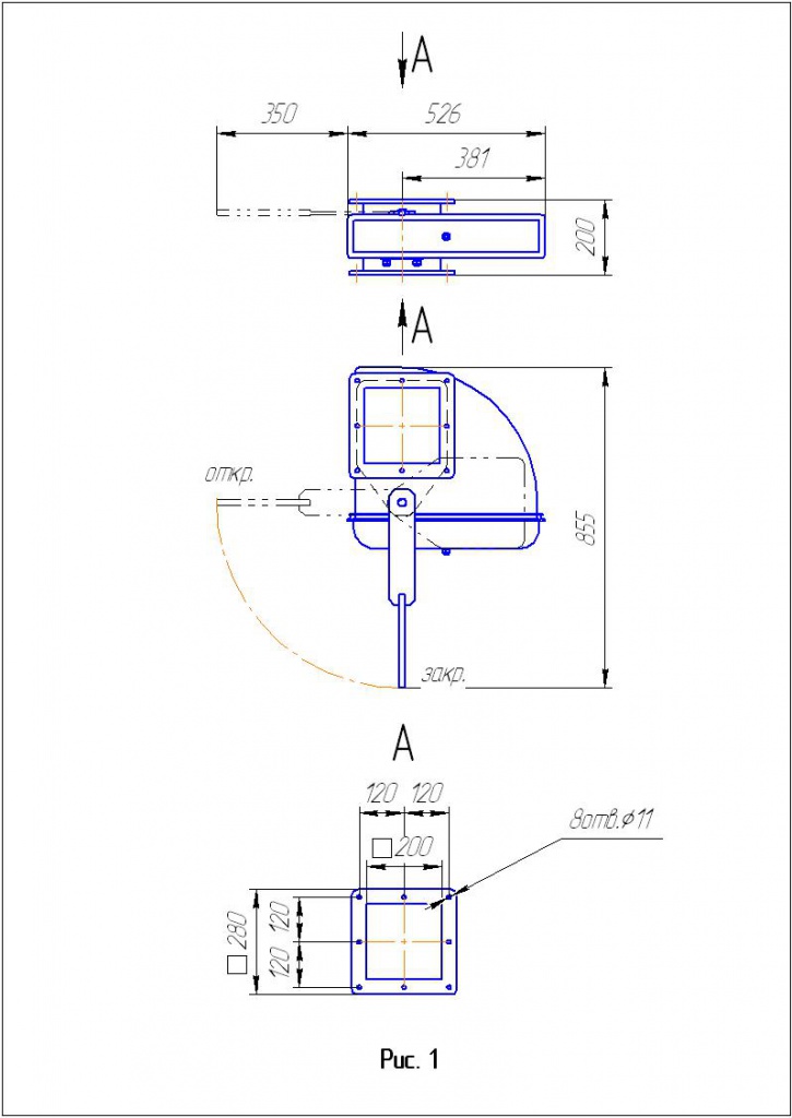
ЗПР-200

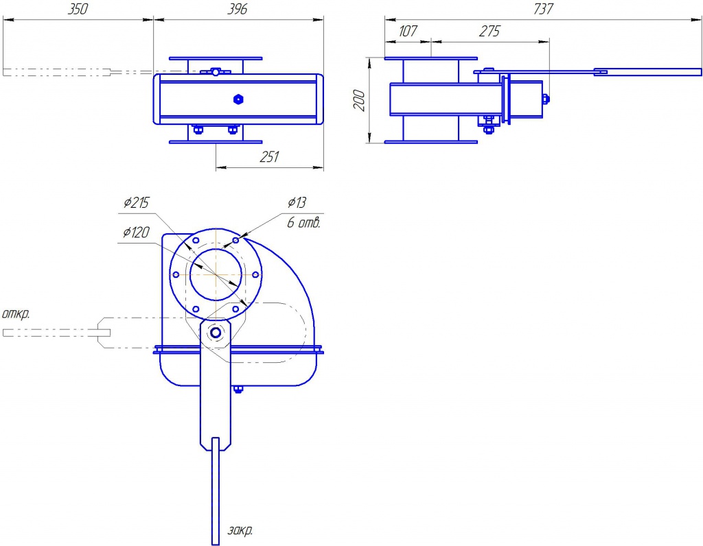
ЗПР-260

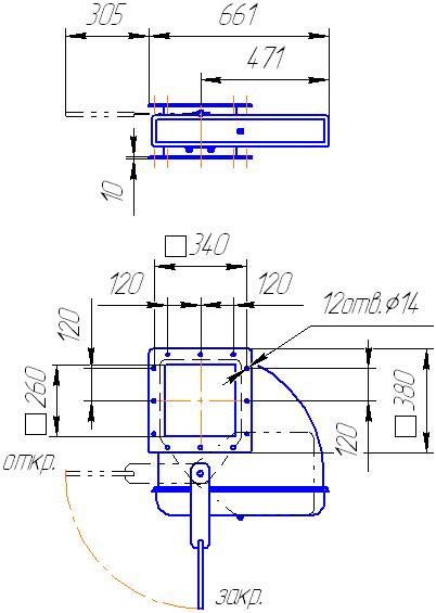
ЗПР-300

ЗПР-350

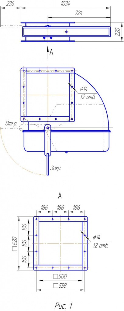
ЗПР-500

Размер фланца входа выхода, мм

200

260

300

350

500

Масса, кг

35

50

63

71

79

Технические характеристики шиберов с электроприводом:

Параметры / Типоразмер

ЗПЭ-200

ЗПЭ-260

ЗПЭ-300

ЗПЭ-350

ЗПЭ-500

Размер фланца входа выхода, мм

200

260

300

350

500

Масса, кг

56

72

85

93

110

Пример условного обозначения

ЗПР-200 или ЗПЭ-200 где:

ЗПР – задвижка пылевая, ручная;

200 – размер приемного окна;

ЗПЭ – задвижка пылевая с электроприводом.


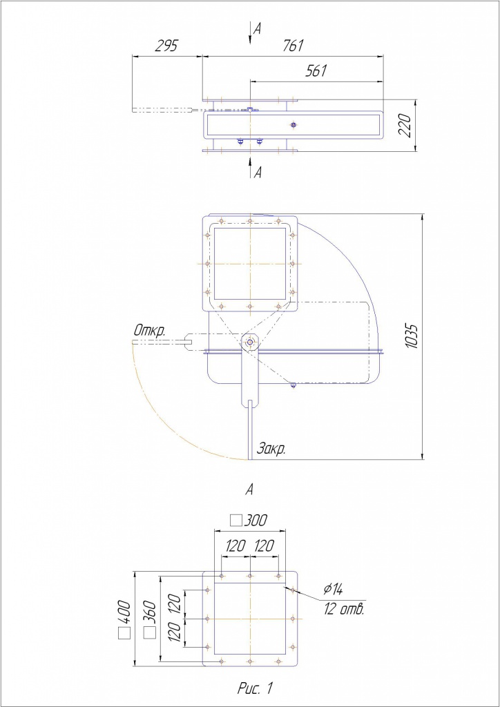
Габаритные чертежи

Фотографии

Пылевые задвижки (шиберы) производства АО «СПЕЙС-МОТОР» Пылевые задвижки (шиберы) производства АО «СПЕЙС-МОТОР»




Заказать
Чтобы сделать сайт еще удобнее, мы анализируем пользовательский опыт - собираем данные...
Подробнее
Чтобы сделать сайт еще удобнее, мы анализируем пользовательский опыт - собираем данные с помощью файлов cookie, журналов истории доступа и web-счетчиков. Согласно Федеральному закону «О персональных данных» мы обязаны сообщить вам об этом. Продолжая работу с ресурсом, вы выражаете согласие на обработку ваших данных. Более подробная информация размещена в разделе «Политика конфиденциальности»
VSRT3S1_VILKA