197229, г. Санкт-Петербург, 1-я Конная Лахта дом 9
Меню

Клапаны газоходов

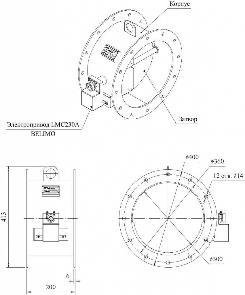
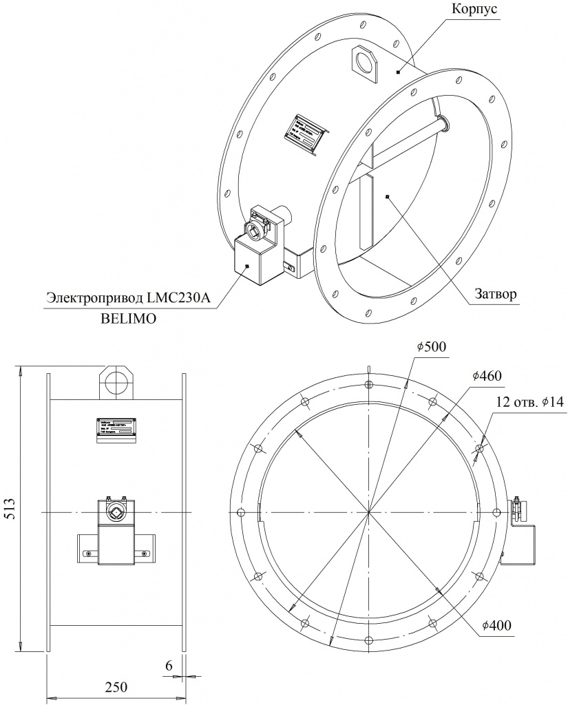
АО «СПЕЙС-МОТОР» выпускает клапаны газоходов в круглом и прямоугольном исполнении. Клапаны предназначены для регулировки газовых потоков, отключения аппаратов газоочистки на период ремонта или технического обслуживания, по своей функции делятся на отсечные, аварийные, обратные и клапаны подсоса воздуха. Привод клапанов осуществляется с помощью МЭО (механизм электрический однооборотный). Мощность привода выбирается в зависимости от размера клапана. По желанию заказчика возможно оснащение ручным или пневматическим приводом.

Условные обозначения - К/П/С-1000-М250

  • КЛ – клапан
  • К – круглый
  • П - прямоугольный
  • С - Секционный
  • 1000 – диаметр сечения в мм
  • М – с МЭО
  • 250 – номинальный крутящий момент на валу

Технические характеристики

Диаметр, мм

от 10 до 5000

Тип соединения

межфланцевое


Типоразмер/ Параметры

Электропривод

Электропитание, мм

Потребляемая мощность, Вт

Масса

КЛК-100-М2


ТМС230А BELIMO

100…240 В, 50/60 Гц

2

2,6

КЛК-150.М2

ТМС230А BELIMO

100…240 В, 50/60 Гц

2

4,7

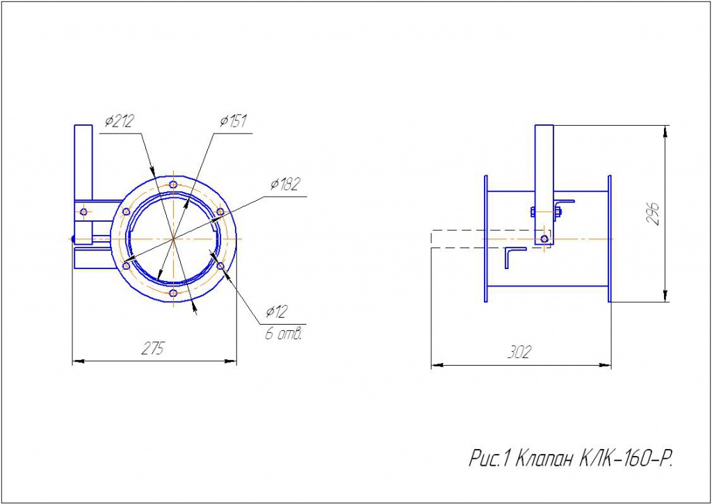
КЛК-160-Р

-

-

-

6,1

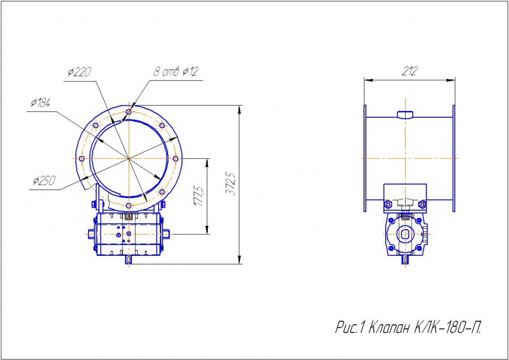
КЛК-180-Р

-

-

-

7,6

КЛК-180-П

Пневматический ДFPB-65-090-F05

100…240 В, 50/60 Гц

3

10,2

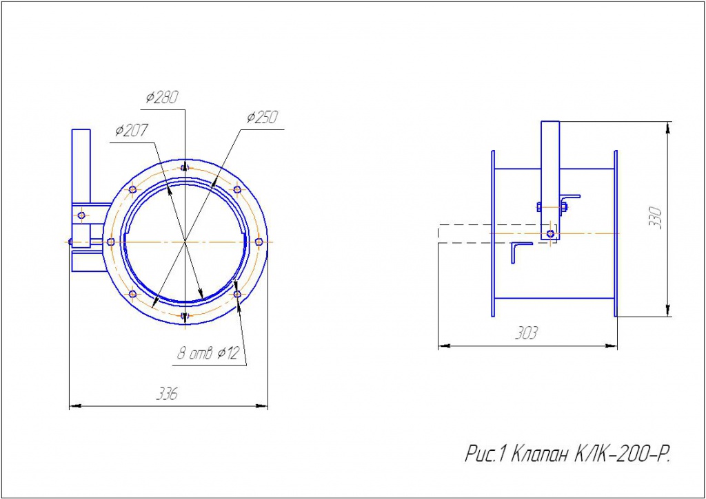
КЛК-200-Р

-


-

9,5

КЛК-250-Р

-


-

11

КЛК-300М

МЭО-40/25-0,25У-99КУ2.

100…240 В, 50/60 Гц

95

53,5

КЛК-300-М5

BELIMO LMC230A

220 В, 50 Гц

1,5

13,2

КЛК-300-Р

-

-

-

19,2

КЛК-350-Р




26,5

КЛК-400-М5

BELIMO LMC230A

220 В, 50 Гц

1,5

19,2

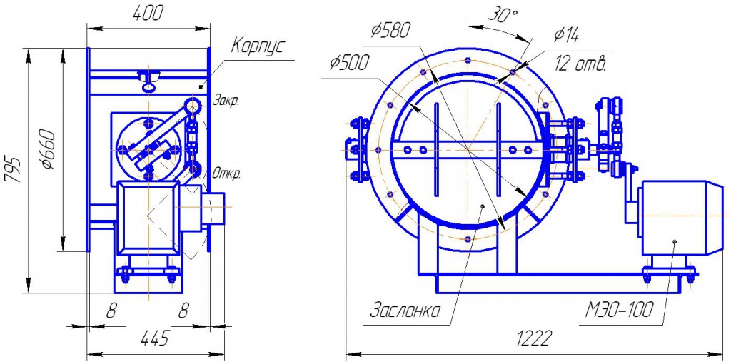
КЛК-450-П

Пневматический ДFPB-170-090-F0710-14

-

-

35

КЛК-500-М100

МЭО-100/25-0,25У-99К

220 В, 50 Гц

250

145

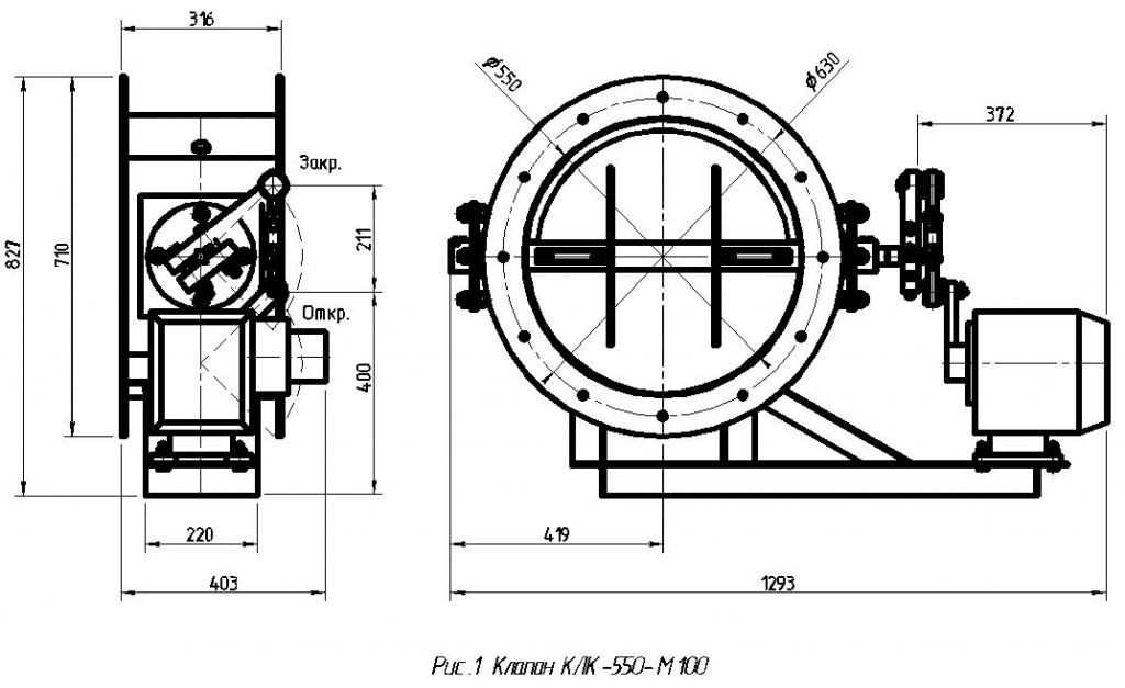
КЛК-550-М100

МЭО 100/25-0,25 У-99К У2

220 В, 50 Гц

170

215

КЛК-500-Р

-

-

-

42,5

КЛК-650-Р

-

-

-

120

КЛК-750-М100

МЭО-100/25-0,25М-99К

220 В, 50 Гц

170

282

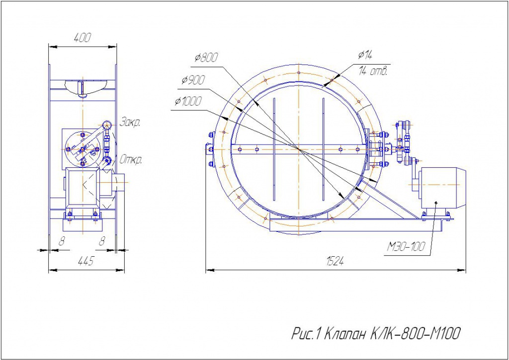
КЛК-800-М100

МЭО-100/63-0,63-99


240

310

КЛК-900-М250

МЭО-250/63-0,25-99


240

344

КЛК-1000-М250

МЭО-250/25-0,25У-99КУ2


250

371

КЛК-1200-М250

МЭО-250/25-0,25У-99К


250

556

КЛК-1300-М250

МЭО-250/25-0,25У-99К


250

595

КЛК-1400-М250

МЭО-250/25-0,25У-99К


250

635

КЛКГ-800-М100

МЭО-100/63-0,63-99

Механизм быстрого открывания УИМ 0212В3


240

425

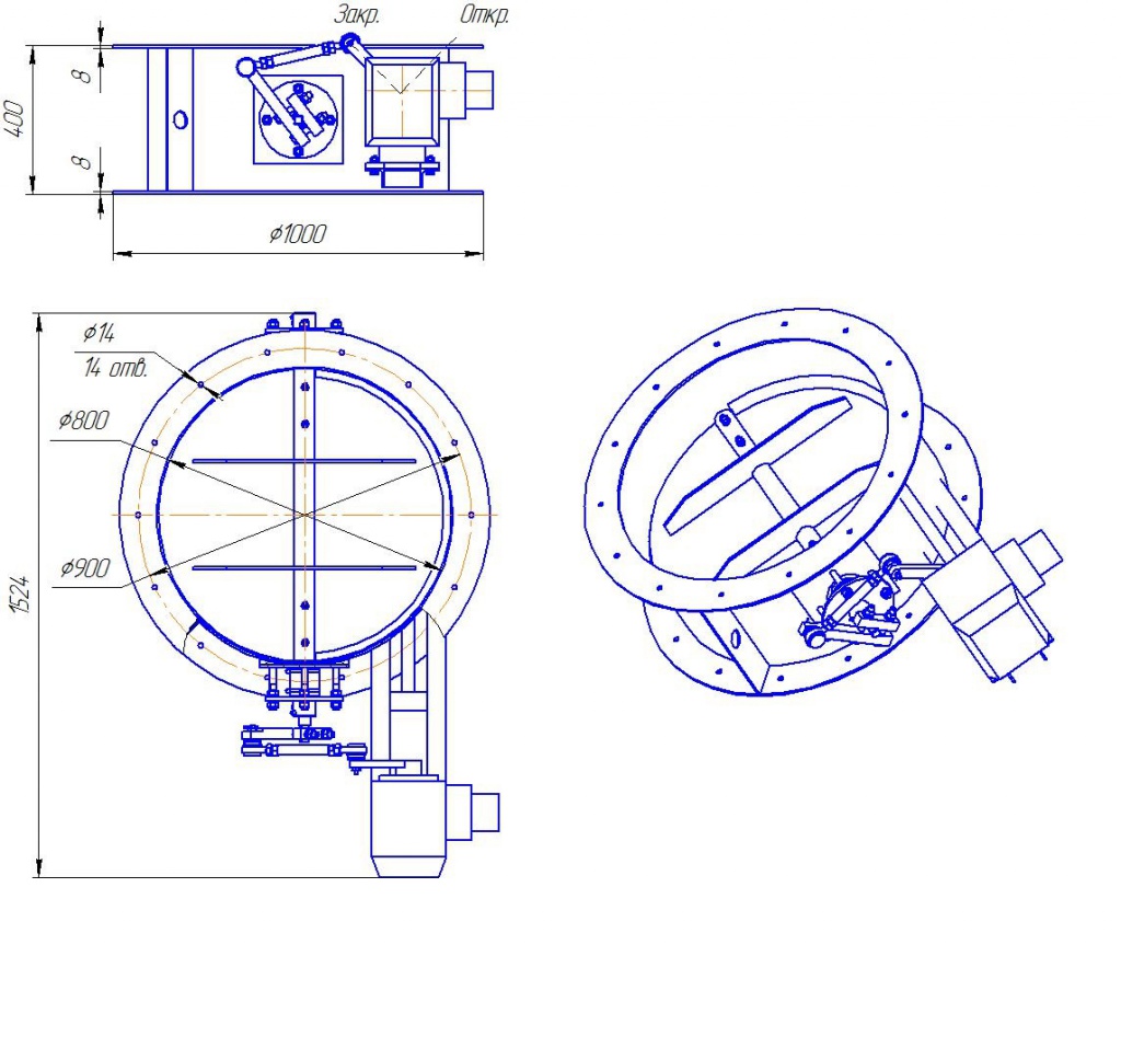
КЛКТ-2200-М630-М630

МЭО-630/25-0,25У-92К.


200

1324

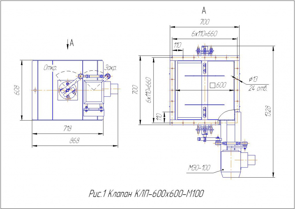
КЛП-600х600-М100-М100

МЭО-100/25-0,25У-99КУ2


170

151

КЛС-4-Р

-

-

-

305

КПС-3-Р

-

-

-

1112

КЛС2-S1.4

МЭО 250/25-0,25 У-99К У2


170

312


Дроссельные клапаны для газоходов герметичные
Рис. 1. Дроссельные клапаны для газоходов герметичные

клапан-бабочки для газохода газа
Рис. 2. Клапан-бабочки для газохода газа

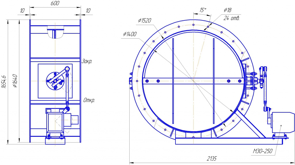
Габаритные чертежи


Фотографии




Заказать
Чтобы сделать сайт еще удобнее, мы анализируем пользовательский опыт - собираем данные...
Подробнее
Чтобы сделать сайт еще удобнее, мы анализируем пользовательский опыт - собираем данные с помощью файлов cookie, журналов истории доступа и web-счетчиков. Согласно Федеральному закону «О персональных данных» мы обязаны сообщить вам об этом. Продолжая работу с ресурсом, вы выражаете согласие на обработку ваших данных. Более подробная информация размещена в разделе «Политика конфиденциальности»
VSRT3S1_VILKA